ShowerTablet Thermostat 600 universal for exposed installation for 2 functions
Change variant Thermostat 600 universal for exposed installation for 2 functions
Art. no. 13108000
Remember product
Product noted
Product saved for 30 daysTo the notepad
The product could not be saved.
Please try again.
Please try again.
Compare products
product added
Product saved for 30 daysTo the Product Comparison
The product could not be saved.
Please try again.
Please try again.
Product features
Innovative technologies
CoolContact
CoolContact: safe and indulgent showering
Thermostatic mixers fitted with CoolContact cooling technology don’t get hot. The housing always stays nice and cool because the cold water inside it is directed straight to the surface. This can only mean one thing for you and your children: more safety in the bathroom.Learn more
Awards
Design Awards
Trust in highest quality
Five-year manufacturer's guarantee
Offering our customers the highest quality at all times is a fundamental part of the Hansgrohe company philosophy.
Alternative products
Similar products
Matching products
You may also like
Article features
- 2 outlets
- volume control and diverter for 2 outlets
- centre distance: 150 mm
- CoolContact thermostat: Prevents the housing from heating up, making showering even safer
- maximum flow rate at 3 bar: 25 l/min
- flow rate upper outlet: 25 l/min
- thermostat cartridge, shut-off/ diverter valve
- safety lock at 40° C
- temperature limitation adjustable
- with isolated water conduction
- non-return valve
- with silencer
- material handles: metal
- shelf finish: aluminium anodized
- material cover: safety glass
- surface of the cover at color variant -000 = mirror glass, at color variant -400 = white glass
- control of an external shower or bath tub filler via concealed connection G ½ possible
- connection type: G ½
- connection dimension: DN15
- dirt filter included
Download area
Product data sheet (PDF)BIM data
- BIM data (AutoCAD 2D) DWG, 170 KB
- BIM data (Revit) RFA, 1 MB
- BIM data (AutoCAD 2D) DWG, 170 KB
- BIM data (3DS) 3DS, 83 KB
- BIM data (IFC) IFC, 536 KB
- BIM data (AutoCAD 3D) DWG, 143 KB
- BIM data (AutoCAD 3D) DWG, 143 KB
- BIM data (Revit) FPX, 1 MB
- BIM data (ArchiCAD) GSM, 774 KB
- BIM data (3DS) 3DS, 83 KB
- BIM data (ArchiCAD) GSM, 774 KB
- BIM data (Sketchup) SKP, 472 KB
- BIM data (Sketchup) SKP, 472 KB
- BIM data (IFC) IFC, 536 KB
- BIM data on BIMobject
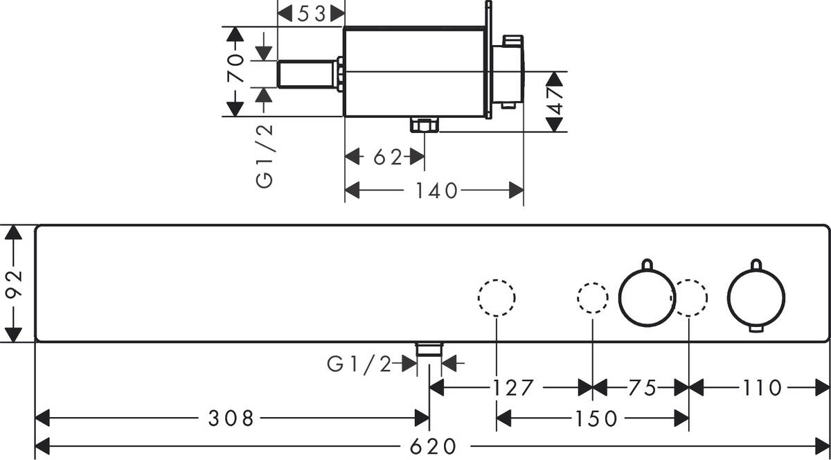
Technical data
Installation information
Required parts
Scope of supply
- Thermostat
- connecting thread
- mounting material
- assembly instruction
Spare parts for build year 10/17
View older models in the spare parts catalogue| Item no. | DescriptionArticle no. |
|---|
| a | base body13129180 |
| b | compensation set93333000 |
| 1 | handle for shut off unit93226000 |
| 2 | handle93227000 |
| 3 | handle fixing set93228000 |
| 4 | safety set93229000 |
| 5 | nut98913000 |
| 6 | thermostat cartridge98282000 |
| 7 | cartridge for exchanged connections92373000 |
| 8 | shut off unit with selector98283000 |
| 9 | cover93225000 |
| 10 | O-ring 76x2,598431000 |
| 11 | mounting kit98744000 |
| 12 | connecting thread95392000 |
| 13 | O-ring 14x298129000 |
| 14 | hollow set screw M6x16 including o-ring 29x398372000 |
| 15 | non return valve with filter93224000 |
| 16 | non return valve (pressure-resistant up to 2 MPa)93223000 |
| 17 | adapter for ball S - union02026000 |
| 18 | O-ring 29x398371000 |
| 19 | set of connecting threads93231000 |
| 20 | noise reduction96429000 |
| 21 | O-ring 23x298398000 |
| 22 | connecting thread93232000 |
| 23 | O-ring 15x2,598131000 |
We endeavour to always provide up-to-date, complete information on our website.
However, we do not assume any liability for the up-to-dateness, accuracy, completeness or suitability of the information for particular uses.
Trusted partners