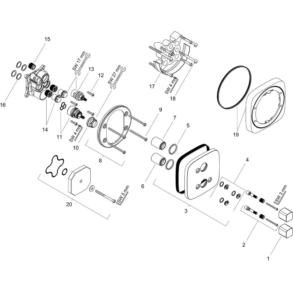
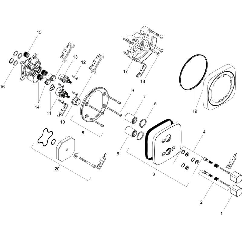
PuraVida Shut-off/ diverter valve iControl for concealed installation for 3 functions

Finish Chrome

Art. no. 15777000

We endeavour to always provide up-to-date, complete information on our website.
However, we do not assume any liability for the up-to-dateness, accuracy, completeness or suitability of the information for particular uses.

Trusted partners

Find bathroom showrooms in your area