maximum flow rate for Showerpipe at 3 bar: 16 l/min
minimum flow pressure: 1,1 bar
max. operating pressure: 10 bar
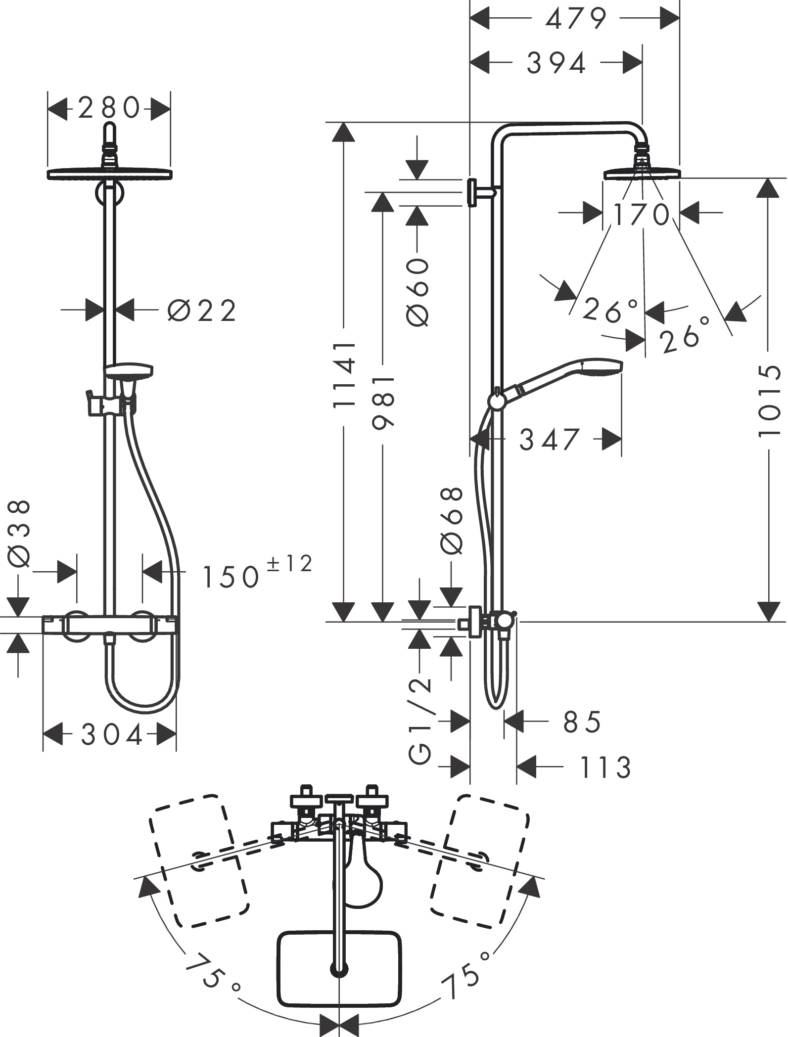
ball-joint: overhead shower angle adjustable
height-adjustable slider with locking push-button slider
thermostat Ecostat Comfort
SafetyStop at 40°C
adjustable hot water limitation
outlets controlled via turning handle
suitable for continuous flow water heaters
mounting type: exposed installation
connection dimension: DN15
connection thread: G ½
centre distance: 150 ± 12 mm
pipe can be shortened in height
intrinsically safe against backflow
shower bar diameter: 22 mm
2 functions
Download area
Product data sheet (PDF)
We endeavour to always provide up-to-date, complete information on our website. However, we do not assume any liability for the up-to-dateness, accuracy, completeness or suitability of the information for particular uses.
There are currently no entries in your notepad. This list enables you to collate products that you are interested in and find them again quickly at any time. To do this, use the “Note product” icon on our product pages.